-
-
-
Tổng tiền thanh toán:
-
mm
mm
mm
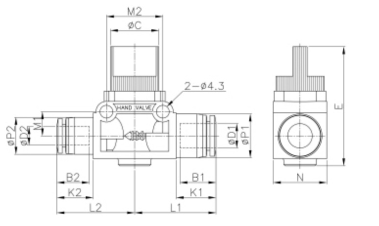
Van khóa khí nén
Van khóa khí nén
Trong mọi hệ thống khí nén, khả năng kiểm soát dòng khí theo ý muốn là yếu tố rất quan trọng để đảm bảo an toàn, ổn định và thuận tiện cho quá trình vận hành cũng như bảo trì. Có những thời điểm người vận hành cần cấp khí ngay cho một cụm máy, nhưng cũng có lúc cần ngắt hoàn toàn nguồn khí để sửa chữa, thay thế linh kiện hoặc cô lập một nhánh khí riêng biệt. Khi đó, van khóa khí nén là thiết bị không thể thiếu để thực hiện thao tác đóng mở dòng khí một cách nhanh chóng và chủ động.
Về bản chất, van khóa khí nén là giải pháp đơn giản nhưng cực kỳ quan trọng trong thiết kế hệ thống khí. Nếu không có van khóa phù hợp, người dùng sẽ gặp khó khăn khi cần tách riêng từng khu vực vận hành, bảo trì từng cụm thiết bị hoặc xử lý sự cố cục bộ mà không ảnh hưởng đến toàn bộ dây chuyền. Đây là lý do vì sao van khóa khí nén luôn xuất hiện trong hầu hết các hệ thống từ đơn giản đến phức tạp, từ xưởng cơ khí nhỏ đến dây chuyền tự động hóa công nghiệp quy mô lớn.
Dưới góc nhìn kỹ thuật cơ khí, van khóa khí nén không chỉ làm nhiệm vụ đóng hoặc mở khí, mà còn đóng vai trò như một điểm kiểm soát an toàn trong hệ thống. Chọn đúng loại van khóa sẽ giúp thao tác nhanh hơn, giảm rò rỉ khí, nâng cao tuổi thọ cho đường ống và thiết bị, đồng thời giúp bảo trì thuận tiện hơn nhiều. Đây là phụ kiện nhỏ nhưng mang lại giá trị thực tế rất lớn trong quá trình vận hành lâu dài.
Nếu bạn đang cần đồng bộ các thiết bị trên cùng hệ thống, có thể tham khảo thêm các dòng van khí nén, van tiết lưu khí nén và các nhóm van khóa khí nén phù hợp với từng yêu cầu vận hành thực tế.
Van khóa khí nén là gì?
Van khóa khí nén là thiết bị dùng để đóng hoặc mở dòng khí nén trên đường ống hoặc tại một vị trí cụ thể trong hệ thống. Khi van ở trạng thái mở, khí nén được phép đi qua để cấp cho thiết bị hoạt động. Khi van ở trạng thái khóa, dòng khí bị chặn lại, giúp cô lập khu vực phía sau van để bảo trì, kiểm tra hoặc ngắt vận hành theo yêu cầu.
Tùy theo thiết kế, van khóa khí nén có thể được sản xuất theo nhiều kiểu khác nhau như khóa tay gạt, khóa núm xoay, khóa dạng bi, dạng ren hoặc dạng nối nhanh. Mỗi loại sẽ phù hợp với từng sơ đồ lắp đặt, áp suất làm việc và không gian sử dụng riêng. Điểm chung quan trọng nhất là van phải đảm bảo đóng ngắt nhanh, kín khí tốt và thao tác thuận tiện.
Vai trò của van khóa khí nén trong hệ thống công nghiệp
Trong thực tế sản xuất, không phải lúc nào hệ thống khí nén cũng vận hành liên tục ở cùng một trạng thái. Có thời điểm cần dừng một cụm máy để thay xi lanh, đổi đồ gá, vệ sinh đầu máy hoặc xử lý lỗi kỹ thuật. Nếu không có van khóa khí nén, kỹ thuật viên buộc phải ngắt toàn bộ nguồn khí của dây chuyền, gây gián đoạn sản xuất và làm giảm hiệu quả vận hành.
Khi lắp đúng van khóa khí nén, người vận hành có thể chủ động cô lập từng khu vực riêng biệt, giúp việc sửa chữa và bảo trì an toàn hơn, nhanh hơn và ít ảnh hưởng hơn đến phần còn lại của hệ thống. Ngoài ra, van khóa còn đóng vai trò như một điểm kiểm soát thao tác, đặc biệt hữu ích trong các hệ thống có nhiều nhánh khí, nhiều cụm máy hoặc nhiều vị trí cần đóng mở linh hoạt.
Ở góc độ an toàn, van khóa khí nén còn giúp giảm rủi ro khi cần xả áp, ngắt nguồn khí khẩn cấp hoặc kiểm soát lại đường cấp khí trước khi đưa hệ thống vào hoạt động. Đây là một yếu tố mà người làm kỹ thuật có kinh nghiệm luôn xem trọng khi thiết kế hoặc nâng cấp hệ thống.
Đặc điểm nổi bật của van khóa khí nén
1. Đóng ngắt dòng khí nhanh và chủ động
Ưu điểm quan trọng nhất của van khóa khí nén là giúp người dùng kiểm soát việc cấp hoặc ngắt khí một cách tức thời. Đây là yếu tố rất cần thiết trong môi trường sản xuất, nơi mọi thao tác cần rõ ràng, nhanh và an toàn.
2. Kín khí tốt, giảm thất thoát áp
Một van khóa chất lượng cần đảm bảo độ kín cao khi ở trạng thái đóng. Điều này giúp hạn chế rò rỉ khí, giữ áp ổn định cho hệ thống và giảm hao phí năng lượng trong quá trình vận hành.
3. Cấu tạo gọn, dễ lắp đặt
Nhiều dòng van khóa khí nén được thiết kế nhỏ gọn, phù hợp lắp trên đường ống, tủ máy, cụm điều khiển hoặc gần thiết bị chấp hành. Cấu trúc hợp lý giúp việc bố trí hệ thống dễ dàng hơn và tối ưu không gian lắp đặt.
4. Dễ thao tác khi vận hành và bảo trì
Van khóa khí nén thường có cơ chế vận hành trực quan như tay gạt hoặc núm xoay, giúp người dùng dễ nhận biết trạng thái đóng mở. Đây là ưu điểm lớn trong các hệ thống cần thao tác thường xuyên hoặc yêu cầu giảm thời gian xử lý sự cố.
5. Phù hợp nhiều hệ thống khí nén khác nhau
Từ các cụm máy bán tự động đến dây chuyền công nghiệp phức tạp, van khóa khí nén đều có thể được sử dụng linh hoạt nếu chọn đúng quy cách. Đây là lý do sản phẩm này có mặt trong rất nhiều ứng dụng thực tế.
6. Hỗ trợ tăng độ an toàn cho hệ thống
Việc có một điểm khóa khí rõ ràng giúp kỹ thuật viên thao tác an toàn hơn khi sửa chữa, thay thế hoặc kiểm tra thiết bị. Đây là giá trị thực tế rất quan trọng, đặc biệt trong nhà xưởng có nhiều cụm máy hoạt động song song.
Thông số kỹ thuật tham khảo
- Tên sản phẩm: Van khóa khí nén
- Chức năng: Đóng/ngắt dòng khí nén
- Môi chất sử dụng: Khí nén
- Kiểu vận hành: Tay gạt, xoay hoặc cấu hình tùy từng mã hàng
- Kiểu kết nối: Tùy từng sản phẩm như ren, nối nhanh hoặc dạng chuyên dụng
- Ứng dụng: Cô lập đường khí, đóng mở nguồn khí, bảo trì và kiểm soát hệ thống
- Đặc điểm: Dễ thao tác, kín khí tốt, phù hợp nhiều hệ thống công nghiệp
- Tương thích: Nhiều đường ống, cụm máy và hệ thống khí nén khác nhau
Lưu ý: Cỡ ren, kiểu kết nối, vật liệu thân van, áp suất làm việc và cấu trúc chi tiết có thể thay đổi theo từng mã hàng. Nên kiểm tra kỹ thông số thực tế trước khi đặt mua để đảm bảo lắp đặt chính xác.
Ứng dụng thực tế của van khóa khí nén
- Đóng ngắt nguồn khí cho từng cụm máy riêng biệt
- Cô lập một nhánh khí để bảo trì hoặc sửa chữa
- Kiểm soát cấp khí trong dây chuyền sản xuất tự động
- Lắp trên đường khí chính hoặc đường khí nhánh trong nhà xưởng
- Sử dụng trong máy đóng gói, máy ép, máy lắp ráp và cụm điều khiển khí nén
- Ứng dụng tại các vị trí cần thao tác đóng mở nhanh và an toàn
- Hỗ trợ xả áp hoặc dừng vận hành cục bộ khi cần thiết
Lợi ích khi sử dụng van khóa khí nén
- Giúp đóng ngắt dòng khí nhanh, chủ động và an toàn hơn
- Giảm thời gian bảo trì nhờ cô lập được từng khu vực riêng biệt
- Hạn chế rò rỉ khí và giảm thất thoát áp trong hệ thống
- Tăng tính linh hoạt khi vận hành các cụm máy nhiều nhánh
- Hỗ trợ bảo vệ thiết bị khi cần ngắt nguồn khí kịp thời
- Nâng cao độ chuyên nghiệp và an toàn cho toàn bộ hệ thống khí nén
Kinh nghiệm lựa chọn van khóa khí nén theo góc nhìn chuyên gia
Chọn đúng kiểu kết nối với hệ thống
Trước tiên, cần xác định hệ thống của bạn đang sử dụng kiểu kết nối nào: ren, nối nhanh hay dạng lắp đặc biệt. Việc chọn đúng kiểu kết nối sẽ giúp lắp đặt thuận lợi hơn, giảm phụ kiện trung gian và đảm bảo độ kín khí tốt hơn.
Đánh giá đúng vị trí cần lắp van khóa
Không phải vị trí nào cũng cần đặt van khóa khí nén. Nên ưu tiên lắp tại những điểm cần thao tác đóng mở thường xuyên, những nhánh cần cô lập khi bảo trì hoặc các cụm máy có tính độc lập cao. Đặt đúng vị trí sẽ giúp sản phẩm phát huy tối đa hiệu quả sử dụng.
Chọn van phù hợp với áp suất và lưu lượng làm việc
Mỗi hệ thống khí nén đều có dải áp suất và lưu lượng riêng. Van khóa khí nén cần đáp ứng được thông số làm việc thực tế để đảm bảo độ bền và ổn định trong quá trình sử dụng. Đây là yếu tố rất quan trọng mà người mua không nên bỏ qua.
Ưu tiên đồng bộ cùng các thiết bị khí nén khác
Để hệ thống vận hành hiệu quả, nên đồng bộ giữa van khí nén, van tiết lưu khí nén và van khóa khí nén theo cùng logic thiết kế. Cách lựa chọn này giúp hệ thống dễ vận hành hơn, dễ bảo trì hơn và giảm rủi ro khi thay thế sau này.
Mua từ đơn vị có hỗ trợ kỹ thuật rõ ràng
Trong thực tế, chọn sai van khóa có thể dẫn đến khó lắp, đóng mở không thuận tiện hoặc không phù hợp với sơ đồ vận hành. Vì vậy, nên chọn nhà cung cấp có khả năng tư vấn rõ về kết cấu, kiểu lắp và vị trí sử dụng để đảm bảo đầu tư đúng ngay từ đầu.
Kết luận
Van khóa khí nén là thiết bị quan trọng giúp kiểm soát việc cấp và ngắt dòng khí một cách chủ động, an toàn và hiệu quả. Với khả năng cô lập từng khu vực, hỗ trợ bảo trì nhanh, giảm thất thoát áp và tăng độ ổn định cho hệ thống, đây là sản phẩm rất cần thiết trong cả hệ thống khí nén đơn giản lẫn dây chuyền công nghiệp hiện đại.
Nếu bạn đang tìm một giải pháp đóng ngắt khí nén đáng tin cậy, dễ thao tác và phù hợp cho vận hành lâu dài, van khóa khí nén là lựa chọn rất đáng cân nhắc. Chọn đúng loại van ngay từ đầu sẽ giúp hệ thống an toàn hơn, vận hành ổn định hơn và tiết kiệm chi phí bảo trì trong thời gian dài.
Thông tin liên hệ mua hàng
CÔNG TY TNHH KDT PHÚ MỸ
Địa chỉ: Số 742A Đường Độc Lập, Khu phố Bến Đình, Phường Phú Mỹ, TPHCM
Điện thoại/Zalo: 0983 181 301 hoặc 0984 100 347
Website: https://tdkmart.com/
Van khóa khí nén có 2 đầu ghim ống phi 4 mm
Mã sản phẩm: BUC-4
Giá (VNĐ)
Liên hệ
Mua tối thiểu 1 cái
Tồn kho
Còn: 217 sản phẩm
Van khóa khí nén có 2 đầu ghim ống phi 4 mm là giải pháp đóng mở khí nhanh, gọn, kín và dễ lắp đặt cho các hệ thống khí nén nhỏ gọn, ổn định.
Van khóa khí nén có 2 đầu ghim ống phi 6 mm
Mã sản phẩm: BUC-6
Giá (VNĐ)
Liên hệ
Mua tối thiểu 1 cái
Tồn kho
Còn: 48 sản phẩm
Van khóa khí nén có 2 đầu ghim ống phi 6 mm là giải pháp đóng mở khí nhanh, gọn, kín và ổn định cho hệ thống khí nén, máy tự động và cụm cấp khí công nghiệp
Van khóa khí nén có 2 đầu ghim ống phi 8 mm
Mã sản phẩm: BUC-8
Giá (VNĐ)
Liên hệ
Mua tối thiểu 1 cái
Tồn kho
Còn: 124 sản phẩm
Van khóa khí nén có 2 đầu ghim ống phi 8 mm là giải pháp đóng mở khí nhanh, gọn, kín và ổn định cho hệ thống khí nén, máy tự động và cụm cấp khí công nghiệp.
Van khóa khí nén có 2 đầu ghim ống phi 10 mm
Mã sản phẩm: BUC-10
Giá (VNĐ)
Liên hệ
Mua tối thiểu 1 cái
Tồn kho
Còn: 70 sản phẩm
Van khóa khí nén có 2 đầu ghim ống phi 10 mm là giải pháp đóng mở khí nhanh, kín và ổn định cho hệ thống khí nén, máy tự động, cụm cấp khí và nhiều ứng dụng công nghiệp.
Van khóa khí nén có 2 đầu ghim ống phi 12 mm
Mã sản phẩm: BUC-12
Giá (VNĐ)
Liên hệ
Mua tối thiểu 1 cái
Tồn kho
Còn: 143 sản phẩm
Van khóa khí nén có 2 đầu ghim ống phi 12 mm là giải pháp đóng mở khí nhanh, kín và ổn định cho hệ thống khí nén, máy tự động, cụm cấp khí và nhiều ứng dụng công nghiệp.
Van khóa khí nén có 2 đầu ghim ống phi 14 mm
Mã sản phẩm: BUC-14
Giá (VNĐ)
Liên hệ
Mua tối thiểu 1 cái
Tồn kho
Còn: 21 sản phẩm
Van khóa khí nén có 2 đầu ghim ống phi 14 mm là giải pháp đóng mở khí nhanh, kín và ổn định cho hệ thống khí nén, máy tự động, cụm cấp khí và nhiều ứng dụng công nghiệp.
Van khóa khí nén có 2 đầu ghim ống phi 16 mm
Mã sản phẩm: BUC-16
Giá (VNĐ)
Liên hệ
Mua tối thiểu 1 cái
Tồn kho
Còn: 39 sản phẩm
Van khóa khí nén có 2 đầu ghim ống phi 16 mm là giải pháp đóng mở khí nhanh, kín và ổn định cho hệ thống khí nén, máy tự động, cụm cấp khí và nhiều ứng dụng công nghiệp.
Tìm theo thông số:


